Link to: SVA / MSVA

Trike Builders

Guide (DVSA)

TRIKE TRIKES for sale   TRIKE TRIKES for sale uk e TRIKE TRIKES for sale
T

SVA MSVA Handbrake Calipers for Kit Cars & Trikes

(we offer 3 types)

- 07784 868673 -

** Email: mrbikeuk@hotmail.com **

Mid range model

TRIKE TRIKES for sale u

NOTE:- Jan 2003 - UK MOT testing requirments state for a Tricycle/ 3 wheeled vehicle - only 1 wheel is required to have mechaincal parking brake - this can be either Front or Rear however.....

UK Construction and Use Regulations state after Dec 2002 - ALL wheels on 1 axle must be braked! - can be either Front or Rear.

Bottom line - the MOT Tester is correct in passing with only 1 wheel being fitted with parking brake - but your friendly Police Officer can still stop/fine you under the Construction and Use Regs if machine built after Dec2002! You have been warned folks.

Some options are: a) Fit a parking brake on the front engine sprocket shaft! b) Fit on the rear brake sprocket! or c) in the case of shaft drives - fit a disc/caliper between the propshaft and the diff.

This is our Mid-price range model - and the most populare. It's universal (lever is 2 position and will fit left or right applications)

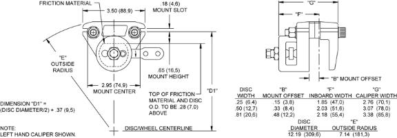
Suitable for TRIKES and KIT CARS etc S.V.A.Legal - can be used on wheel disck or propshaft disc - by using your own fabricated brackets/mounts or our universal mount.

Caliper is available to suit brake disc thickness with: 6mm - 20mm. By using your own spacers it can fit upto 50mm.

Delivery/manufacturing time 7-14 days from receipt of payment.

Options: 1) Large side-mounted Handbrake Lever (Used) £39.95.

2) Small handlebar-mounted brake lever (New) £27.50.

Add additional £5.99 p&p cost for handbrake lever if bought seperatly.

Email us at:- bikehospitalairdrie@hotmail.com. Payment via Paypal or Bank Transfer. For a quote send email and we will send you payment details by return.

Price: £ 199.00 (Includes FREE delivery to Standard charge UK Mainland Postcodes ONLY - all other charged at appropriate rate)

Contact: 07784-868673

*** Replacement brake pad set of 2x pads £36.99 (Includes FREE delivery to Standard charge UK Mainland Postcodes ONLY - all other charged at appropriate rate)

Contact: 07784-868673

Features

 

Want something a bit cheaper? see also our BUDGET calliper here.....CLICK



 

HOME

Back to